Oberflächen Technik Holdener AG

Jessenenstrasse 96

8843 Oberiberg

Tel.: 055 414 34 34

Fax: 055 414 34 35

M@il: info(at)oth(dot)ch

 

Automation


nahtlose Einbindung in den Arbeitsprozess

Erkennbare Vorteile bieten automatisierte Strahlkabinen bei der Bearbeitung hoher Stückzahlen und gewährleisten exakte und reproduzierbare Ergebnisse. Die sorgfältige Musterprüfung, Planung und Testreihen in Clemcos Testlabor bilden die Basis für die Konstruktion eines speziellen automatisierten Systems. Clemcos automatisierte Strahlkabinen werden so konstruiert, dass sie Spitzenleistung erbringen und sich harmonisch in den Produktionsprozess einfügen.

 


Planung und Entwicklung

verschafft den entscheidenden Wettbewerbsvorteil

Die Besonderheiten eines Produktes und das gewünschte Strahlergebnis sind die Entscheidungsfaktoren für die Entwicklung eines Strahlsystems. Clemco arbeitet eng mit seinen Kunden zusammen, entwickelt kundenspezifische Lösungen, welche die Strahlanforderungen, die Produktionsbesonderheiten und Prozessparameter perfekt aufeinander abstimmen.


Die automatisierten Systeme entsprechen exakt allen notwendigen Parametern, die der Kunde vorgegeben hat. Die Bandbreite reicht von modifizierten Standardsystemen bis zu kompletten Neuentwicklungen, unabhängig von der Anwendung.


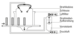
Alle automatisierten Systeme werden unter Anwendung modernster Technologie und Konstruktion produziert, um Strahlen, Strahlmittelaufbereitung und Staubabscheidung in einem vollständig geschlossenen Kreislaufsystem zu ermöglichen.


Clemcos Staub-Filtertechnik gewährleistet vollkommenen Schutz der Betriebsumgebung vor entweichenden Staubpartikeln. Alle Systeme gewinnen brauchbares Strahlmittel effizient zurück und trennen es von Verunreinigungen und Staub, um ein gleichbleibendes, qualitativ hochwertiges Strahl-Ergebnis zu ermöglichen.


Jegliches Bestücken der Anlage und Entnehmen der Werkstücke aus der automatisierten Anlage erfolgt unter kompletter Abschirmung und Absicherung des Operators. Der Schutz des Operators, der in Übereinstimmung mit den internationalen Sicherheits-Normen und Richtlinien umgesetzt wird, hat oberste Priorität bei der Konstruktion jedes Systems.


Kreislaufsystem – Komponenten


Hoher Ertrag

geringer Aufwand

«Clemco bringt Innovationen hervor, um neue Lösungen für die schwierigsten Herausforderungen der Industrieanwendungen und -bedürfnissen zu schaffen.»

 

Die automatisierten Systeme von Clemco sind so konstruiert, dass sie exakt das gleiche Strahlergebnis für die Massenproduktion reproduzieren. Jede Kabine ist auf die Spezifik der Produktionsbedingungen des Kunden zugeschnitten und gewährleistet ein verlässliches, hochwertiges Strahlprofil bei jedem Einzelteil, das bearbeitet wird.

 

Clemco bietet vielfältige Lösungen für automatisierte Strahlbedürfnisse: Drehtrommelkabinen für Kleinteile, rotierende Satellitenaufsätze, präzise Oszillierung und Beweglichkeit der Düsen ebenso wie anwendungsspezifische Lösungen, die bis ins kleinste Detail technisch durchdacht werden, um sich nahtlos in jeden Fertigungsprozess einzugliedern.

 

Diese Kombination aus erfahrungsbasierter Planung und konsequent leistungsfähiger Ausführung hat Clemco die Vorreiterrolle der Branche eingebracht, die Clemco jetzt weltweit genießt.


Downloads